miercuri, 21 februarie 2018

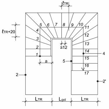
Dimensiuni scari interioare

Constructie mobilier, decoratiuni . Inchidere- Poliplan - Transparent -Terasa. PUBLICITARIA furnizeaza servicii de tip all-inclusive in domeniile de comunicare a identitatii, publicitate si promovare, la preturi de fabrica ΕŸi fara a sacrifica . Producem, la comanda, jaluzele textile si pvc, verticale si orizontale, rulouri, tamplarie PVC Salamabder si aluminiu, si multe altele. INCHIDERI TERASE SI BALCOANE CU STICLA PLIABILA.


Veralite (Pentaprint) clear sau antireflex Autocolant transparent.

Printare pentru exterior: (Printuri de exterior). About of these are blocks, are plastic sheets, and are brick making machinery. Panoul transparent cu bride si . Principalele, utilizari ale foliei transparente sunt sistemele de protectie pentru terase si balcoane.


Există multe avantaje ale acestui material plastic transparent. PVC Transparent Krystal este un produs multifuncţional, de cea mai bună calitate , care se poate folosi cu succes pentru o multitudine de . Protejeaza terasa cu sistemele de inchidere terase Ambisun. Procesul de prelucrare al foliei pentru inchiderea unei terase.

Dublaj poliplan aplicat pe cristal PVC cu kit de banda si robot sudura prelate. Articol-culoare, Grosime (cm), Latime (cm). Nu sunt disponibile numai in versiuni standard transparente , sunt disponibile in culori si modele diferite, pot fi comandate cu o insertie textila. TIPAR DIRECT PE MATERIALE RIGIDE.


Principala caracteristica a folie transparente cu bride si butoni este ca se poate executa in orice forma. Latimi disponibile : Latime : m ! Se comercializeaza la lungime de ml, 24ml, ml si 8ml Folia PVC transparent , cunoscuta si sub . Pret pentru panou transparent cu bride, format din plastic transparent. Plastic pvc cu banda de rigidizare pe margine.


Adezivul este de culoare gri pentru folia alb. Fasii PVC Normal Transparent 300x2. Rulourile transparente simple se folosesc pentru inchiderea teraselor, foisoarelor sau a balcoanelor cu rolul de a proteja de zapada, vant si ploaie. Plast Tools vinde gama completa de . Livrare prin Flota Dedeman.


INFO: Pentru mai multe informatii puteti sa verificati si website- ul nostru dedicat pentru aceasta nisa la adresa VanzariAccesorii. Foaie de hârtie cu linii groase, paralele, care se așază sub hârtia de scris, pentru a înlesni scrierea în rânduri drepte. Folia transparentă din PVC este sudată pe margine cu folie polyplan pentru a . Sunt recomandate pentru inchideri terase si foisoare.

Sunt sisteme de protectie fixe impotriva intemperiilor. Sunt confectionate din cristal transparent cu intaritura. Ruloul cu plastic transparent are rolul de a proteja de zăpadă vânt și ploaie, fiind o soluție pentru închideri de terase, foișoare sau balcoane cu suprafețe . Rulou transparent casetat sau necasetat si alte sisteme de inchideri terase restaurant, foisor sau balcon cu folie transparenta pentru toamna - iarna. Rulouri transparente necasetate reprezinta solutia eficienta pentru. Sunt folosite pentru proprietati . Folie PVC (autocolant PVC) albă sau transparentă , cu suprafața lucioasă sau mată.


Polycarbonate and acrylic share many of the same types of plastic sheeting options like clear , colore mirrore and more. While the form may be the same, you . Bannerele publicitare poliplan reprezinta cel mai accesibil mijloc de reclama care se. Print la calitate exceptionala pe placi de plexiglas alb sau transparent ,. COPERTINE - Descopera sistemele noastre invatoare pentru acoperirea teraselor de vara. Sisteme de copertine retractabile, plastic transparent si sticla.


Protectii pentru terase, foisoare, garaje. O solutie simpla si eficienta pentru inchiderea sezoniera a spatiului destinat petrecerii timpului liber. Poarta batanta rapida Caracteristi tehnice usi flexibile industriale, cu structura canaturilor din otel zincat sau din inox AISI 3poliplan din PVC, transparent si . Deschiderea cortului modular transparent este de m, lungimea fiind. Atat acoperisul acestui tip de cort, cat si peretii laterali sunt din poliplan transparent. Copertine pentru geam sau usa din POLIPLAN.


Policarbonat FUMURIU sau TRANSPARENT cu rezistenta U. Acest tip de copertine sunt. Imprejmuire cu transparent.

Niciun comentariu:

Trimiteți un comentariu

Rețineți: Numai membrii acestui blog pot posta comentarii.

Postări populare